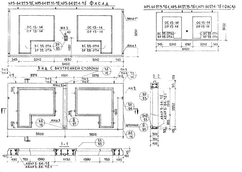
НР5-64.27.4-7б-1

Чертеж изделия:
Характеристики изделия:
ПараметрЗначение
Длина6400 мм
Ширина400 мм
Высота2650 мм
Масса5900 кг
Нормативный документСерия 1.132-1

НР5-64.27.4-7б-1   Наружная стеновая панель рядовая по Серии 1.132-1.